LD4410E利達模擬量信號輸入模塊
文章出處:本站 人氣:發表時間:15-11-20
一、LD4410E利達模擬量信號輸入模塊介紹
為采集其它設備的模擬量輸入信號,北京億杰消防工程公司相應推出各種輸入模塊。
二、LD4410E利達模擬量信號輸入模塊功能
★ 二總線,無極性。
★ 采用電子編碼,占一個地址點。
★ 可接收其它輸出的模擬量電壓或電流信號。
三、LD4410E利達模擬量信號輸入模塊主要技術指標

四、LD4410E利達模擬量信號輸入模塊結構與安裝尺寸圖:與LD4401E相同
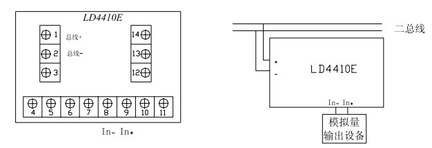
五、LD4410E利達模擬量信號輸入模塊端子圖與接線圖示例

六、LD4410E利達模擬量信號輸入模塊安裝步驟:與LD4401E相同
七、LD4410E利達模擬量信號輸入模塊布線要求:與LD4400E-1相同
同類文章排行
- 消防工程施工中建筑物的耐火等級防火分區、防火間距及疏散出口知識點
- 億杰消防工程通過標準化流程與規范管理提高消防工程質量
- 北京海淀區賓館消電檢,賓館年度消電檢測報告多少錢一次
- 超市消防維保不可忽視:發現隱患及時處理,讓消防安全無憂
- 服裝店使用無消防資質的公司施工消防會有哪些后果
- 消防檢查從容應對術:從維保細節到自信迎檢,酒店安全無憂新策略
- 超市消防改造施工必須符合哪些規范,施工中的要點有哪些?
- 消防檢查不合格,消防維保公司有責任嗎?
- 消防設施維護維修全攻略:北京維保公司的服務內容與標準
- 新改造的酒店消防工程,需要做消電檢嗎?






